설명
앵글 강은 건축에 사용되는 탄소 구조용 강입니다. 단순한 단면의 강재입니다. 주로 금속 부품, 공장 건물 프레임 등에 사용됩니다. 사용 중 우수한 용접성, 소성 변형 성능 및 특정 기계적 강도가 필요합니다. 앵글강 생산을 위한 원료 빌렛은 저탄소 사각강 빌렛이며, 완성된 앵글강은 열간압연, 노멀라이징, 열간압연 상태로 납품됩니다.
특성 및 사양
좋은 용접성
소성 변형 특성
치수 |
10*10mm-200*200mm |
기준 |
GB ASTM, JIS, SUS, DIN, EN 등 |
재료 |
Q195-Q420 시리즈 |
기술 |
열간압연 |
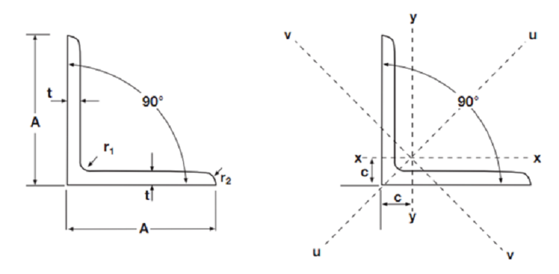
일반적으로 사용되는 앵글강 규격은 변폭×측폭×측두께로 밀리미터 단위로 표시되는데, 예를 들어 "∟30×30×3"은 측폭이 30mm, 측두께가 3mm인 정각강을 의미한다.
주로 정각강과 부등각강의 두 가지 유형으로 나뉩니다. 그 중 부등각강은 두 가지 유형으로 나눌 수 있습니다. 즉, 변과 두께가 동일하지 않고, 변과 두께가 동일하지 않은 것입니다.
앵글강의 규격은 변의 길이와 변의 두께의 치수로 표현됩니다. 현재 국내 앵글강 사양은 2~20까지이며 변의 길이를 센티미터 단위로 숫자로 표시합니다. 동일한 각도의 강철은 종종 2~7개의 서로 다른 측면 두께를 갖습니다.
일반적으로 변의 길이가 1~2.5cm 이상이면 대각강, 변의 길이가 1~2.5cm~5cm이면 중형강, 변의 길이가 5cm 미만인 것이 일반적입니다. 소각강이다.
앵글강의 배송 길이는 고정 길이와 이중 길이의 두 가지 유형으로 구분됩니다. 국내 앵글강의 고정 길이 선택 범위는 사양 번호에 따라 3~9m입니다.
4가지 범위: 4-12m, 4-19m, 6-19m.
부등각강의 단면 높이는 부등각강의 장변 폭에 따라 계산됩니다.
포장 및 배송




